Le moteur
Agroéquipement: le tracteur
1- La composition du moteur
a) rôle du moteur
– Le moteur transforme l’énergie contenue dans le carburant en énergie mécanique.
– Les moteurs agricoles sont des moteurs diesel fonctionnant avec du gazole domestique (rouge) détaxé

b) définitions

Le bloc moteur :
pièce centrale du moteur. Il s’agit d’une seule pièce coulée dans un moule puis usinée. Le bloc moteur reçoit les autres composants du moteur : piston, vilebrequin, arbre à cames…

Sur les tracteurs, il est souvent « porteur », car placé entre les essieux avant et arrière. Parfois, il est installé sur un chassis.

Les pistons:
Ce sont des cylindres sur lesquels s’exerce une poussée. Ils sont refroidis par contact avec la chemise. L’étancheité entre le piston et le bloc est assurée par les segments.
Les bielles:
Elles relient le piston au vilebrequin. Elles sont reliées aux pistons par un axe.
Le vilebrequin:
il chargé de transmettre les mouvement et ordre d’allumages du moteur. Sa conception est très précise (100ème de mm). C’est l’une des pièces les plus chères du moteur


L’arbre à cames :
Il permet, grace à ses bossages, l’ouverture et la fermeture soupapes, par l’intermédiaire des culbuteurs.

La culasse:
Partie qui ferme le bloc moteur à sa partie supérieur. L’étancheité est en partie assurée par le joint

Le carter:
Il ferme le bloc moteur dans sa partie inférieur, et contient l’huile. Un joint évite les fuites. Il contient la pompe à huil

Le volant moteur:
• Il agit comme masse d’équilibrage pour limiter les vibrations, et est fixé sur le vilebrequin.
• Sa forme dentée au pourtour sert à lancer le mouvement au démarrage grace au démarreur.
• On y fixe également la cloche d’embrayage
Vue 1

Vue 2

Qu'avez vous retenu?
Ne trichez pas en regardant au dessus !
c) Les caractéristiques
Le taux de compression ou rapport volumétrique :
- Il est donné par un rapport sur un sans unité, c’est le rapport entre le volume d’air entrant dans le cylindre à chaque cycle(V+v) par rapport au volume restant en fin de compression (v) soit : (V+v/v).
- Les moteurs Diesel ont un rapport volumétrique de l’ordre de 15/1 à 25/1 donc relativement élevé à cause du principe même de la combustion
Généralités:
Les régimes moteur d’un tracteur agricole se situent :
» » |
~ 700 à 900 tours /min pour le régime ralenti ~ 2000 à 2200 tours/min pour le régime maxi |
Nombre de cylindres (en ligne) suivant leur puissance :
» » » » |
~ 3 cylindres : 40 à 60 chevaux ~ 4 cylindres : 60 à 120 chevaux ~ 5 cylindres :quelques tracteurs de 90 chevaux (abandonné pour des raisons d’équilibrage) ~ 6 cylindres :100 chevaux et plus |
Certains engins automoteurs de fortes puissances (150 à 200 chevaux et plus) sont équipés de moteurs en V soit V6 ou V8 moins encombrants .
Les cylindres sont disposés alternativement sur deux rangées réalisant entre elles un angle de 40 à 90°.
En général, pour le sens de rotation d’un moteur il n’y a pas de règle. En effet, chaque constructeur choisit son propre sens de rotation dont dépendront ensuite les autres organes du moteur et la transmission .
De même, le cylindre N°1 peut se situer côté volant-moteur ou côté radiateur (suivant le choix du constructeur).
d) Fonctionnement moteur à 4 temps
Le fonctionnement se déroule sur un cycle de quatre phases successives ou quatre temps :

1 -L’Admission :
Le piston descend du PMH au PMB. La soupape d’admission s’ouvre quand le piston est au PMH. La descente crée une dépression dansl e cylindre qui aspire l’air après passage dans le filtre à air. Lorsque le piston arrive au PMB la soupape d’admission se ferme. Le piston est entraîné par le vilebrequin lui –même entrainé par l’énergie cinétique du volant moteur .
2 - La Compression :
Les deux soupapes sont fermées. Le piston remonte du PMB vers le PMH. L’air précédemment admis est compressé dans le volume de la chambre de combustion. A cause du taux de compression élevé, il se produit un échauffement important de l’air permettant au gasoil de s’enflammer (le gasoil s’enflamme à 600°).
3 - L’Explosion-détente :
- Lorsque le piston est au PMH, un injecteur pulvérise dans l’air chaud et compressé, du gasoil en fines gouttelettes. La combustion se déclenche sans étincelle : c’est une réaction chimique exothermique c’est-à-dire avec dégagement de chaleur
- Les gaz s’échauffent dans le volume de la chambre de combustion c’est-à-dire dans un volume déterminé. Il s’ensuit une montée des gaz en pression qui refoule le piston vers le bas jusqu’au PMB. C’est le seul temps moteur qui permet au volant d’emmagasiner de l’énergie cinétique et d’assurer ainsi sa rotation pendant les trois temps suivants
4 - L’Echappement :
La soupape d’échappement s’ouvre quand le piston est au PMB. Le piston remonte et chasse les gaz d’échappement ou gaz brûlés vers l’extérieur. La soupape d’échappement se ferme au PMH et un nouveau cycle peut commencer.
Chaque temps moteur correspond à une montée ou une descente du piston. Les quatre temps se déroulent donc sur 2 tours de vilebrequin. Sur un cycle de quatre temps chaque soupape s’est ouverte une fois . Comme l’arbre à cames ne possède qu’une came par poussoir, il doit donc tourner d’un tour . On dit que l’arbre à came tourne à mi-vitesse du vilebrequin ( Si un moteur tourne à un régime de 2000 tr/mn, il se produit 1000 explosions par minute et par cylindre)
e) distribution
- La distribution permet donc au moteur la synchronisation entre le vilebrequin, les pistons, les soupapes, l’arbre à came et la pompe à injection.
- La distribution réside dans l’entraînement de l’arbre à cames à partir du vilebrequin. Sur les moteurs diesel utilisés en agriculture, elle est assurée par une cascade de trois pignons (on peut aussi avoir une chaine de distribution ou une courroie)
~ un pignon monté généralement en force sur le vilebrequin
~ un pignon intermédiaire monté libre en rotation sur un axe démontable.
~ un pignon monté serré sur l’arbre à cames. - La distribution à pignons a été choisie pour plusieurs raisons :
~ elle allie solidité et fiabilité car les pignons sont généralement surdimensionnés.
~ le bruit au niveau des dents n’est pas gênant sur un tracteur.
~ le graissage indispensable qui nécessite un couvercle avec joint d’étanchéité occasionne un surcoût relativement faible par rapport au prix de la machine.
~ le jeu au niveau des dents est peu important comparativement aux vitesses de rotation faible du moteur (2000 à 2500 tours/maxi).
~ le poids des pignons est avantageux pour un tracteur.

1. Pignon du vilebrequin
2. Pignon intermédiaire
3. Pignon d’arbre à cames
4. Pignon de pompe hydraulique
5. Pignon de pompe d’injection
6. Manchon d’accouplement
7. Repère d’accouplement
Entraînez vous !
f) la lubrification du moteur
L’huile stockée dans le carter moteur a plusieurs rôles:
- lubrifier les pièces en mouvement en les enveloppant d’un film d’huile (couche d’huile de faible épaisseur) afin d’éviter tout contact métal sur métal.
- refroidir les pièces en mouvement en évacuant les calories lorsque l’huile est en contact avec la pièce. Certains moteurs peuvent être équipés d’un radiateur d’huile où cette dernière se refroidit .
- nettoyer le moteur de toutes les impuretés provenant de la combustion et assurer la longévité des pièces.
Pour cela l’huile doit circuler dans le moteur pour atteindre toutes les pièces en mouvement. Des canalisations d’huile sont donc usinées dans le bloc moteur.
- La crépine retient les plus grosses impuretés et se situe dans le point le plus bas du carter d’huile.
- la pompe à huile, elle assure l’aspiration et le refoulement de l’huile.
- moteur (composée de pignon s’engrenant mutuellement).
- la soupape régulatrice de pression, permet en cas de colmatage de créer un retour au carter d’huile.
Le filtre à huile permet de retenir les impuretés dans l’huile (il doit être changer à chaque vidange suivant les indications du constructeur). Le manocontact est un élément de sécurité indispensable, qui permet de prévenir en cabine le conducteur d’une anomalie de graissage moteur.

1. crépine
2. Pompe
3. soupape
4. Filtre à huile

Pompe a huile :
– 1 : admission de l’huile
– 2 : refoulement de l’huile
– 3 partie jointive
– 4 sens de rotation du pignon

Schéma du manocontact de pression :
•1: membrane souple
•2: manocontact
•3: ampoule électrique
•4: interrupteur (clé de contact)
•5: alimentation électrique
•6: pression d’huile moteur
g) injection diesel
Sur les moteurs diesel le gasoil n’est pas mélangé à l’air. Le gasoil est injecté en très fines gouttelettes dans le cylindre au moment même où il doit brûler.
On distingue différents types d’injections :
injection directe : le gasoil est pulvérisé directement dans le cylindre par l’injecteur (le piston a une forme particulière afin d’augmenter la turbulence de l’air). Elle présente plusieurs particularités :
- à cause de la forme compacte du volume de la chambre de combustion, cette combustion a un bon rendement et la consommation en carburant est moindre.
- le moteur est bruyant car la combustion donc la montée en pression est très rapide.
- le démarrage a froid est facilité par la surface réduite de la chambre de combustion.
- L’injection directe a toujours équipé les moteurs de tracteurs pour lesquels les conditions d’utilisationvarient peu.

injection indirecte: le gasoil est injecté dans une préchambre dite de turbulence ou de pré-compression creusée dans la culasse.
- La combustion est plus étalée dans le temps car elle commence dans la préchambre pour se poursuivre dans la chambre de combustion.
- Le moteur est moins bruyant.
- La combustion est moins complète et la consommation du moteur est supérieure à l’injection directe.
- Le démarrage à froid est plus difficile.

h) le circuit de gasoil
Le circuit de gasoil se divise en deux :
- un circuit dit à basse pression (quelques bars) dû à la pompe à membrane.
- un circuit dit à haute pression (environ 180 bars et plus) alimenté par une pompe d’injection.
(Le carburant est injecté en fines goutelettes dans le cylindre.)

1. Réservoir
2. Filtre à gazole
3. Vis de purge d’eau
4. Vis de purge d’air
5. Pompe d’amorçage
6. Conduite basse pression
7. Pompe à injection
8. Pignon d’entraînement de la pompe
9. Conduite haute pression
10.Injecteur
11.Retour de fuites
Le circuit à basse pression comprend :
- Le réservoir,
- la pompe d’alimentation (permet d’amener le gasoil du réservoir à la pompe à injection).
- le où les filtres à gasoil (permet de stopper les impuretés).

Le circuit à haute pression :
- Il comprend une pompe d’injection alimentée en gasoil par le circuit basse pression.
- Son rôle est de doser la quantité de gasoil nécessaire à une explosion puis de distribuer les doses aux cylindres, au bon moment et dans le bon ordre (c’est-à-dire l’ordre d’allumage).
- La haute pression du gasoil à la sortie de la pompe est due aux injecteurs.

1. Tête hydraulique
2. Rotor
3. Pompe de transfert
4. Soupape de dosage
5. Anneau à cames
6. Galet
7. Piston
8. Correction d’avance
Entraînez vous !
i) Le levier ou pédale d’accélérateur
Il permet d’exercer une traction sur le ressort de pompe à injection qui ouvre d’avantage la soupape et augmente le débit de gasoil (le moteur tournera plus vite).
- L’injecteur, il permet de pulvériser le gasoil sous pression dans le cylindre. Pour cela, il comporte une aiguille maintenue plaquée sur son siège grâce à la poussée d’un ressort réglable.
- Lorsque la pompe à injection envoie une dose de gasoil, l’aiguille remonte pour que ce dernier soit pulvérisé à travers un ou plusieurs orifices calibrés.

j) Système d'aide au démarrage
Les moteurs diésel à injection directe sont plus faciles à démarrer par temps froid que les moteurs à injection indirecte à cause de la plus faible surface de la chambre de combustion.
Il sont simplement équipés d’un système de réchauffage de l’air situé dans la pipe d’admission.
Il peut s’agir :
- d’une résistance chauffante
- ou d’un thermostart (vaporisation de gasoil et d’air chaud qui alimente directement les cylindres)



Les moteurs à injection indirecte doivent en revanche être équipés d’une bougie de chauffage par cylindre (elles sont aussi appelées bougie crayon car le filament chauffant se trouve à l’extrémité de façon à être positionné dans la chambre de combustion).

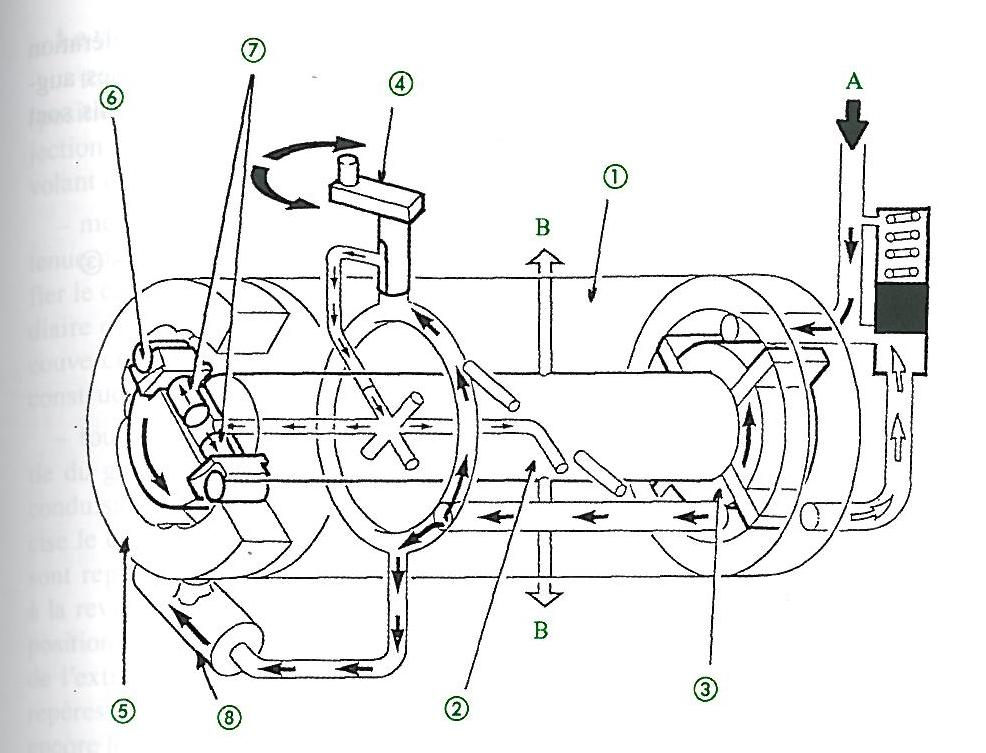
k) Refroidissement du moteur
Le refroidissement liquide:
Le circuit de refroidissement du moteur a pour but d’éliminer la chaleur produite par l’explosion qui, sinon, provoquerait une dilatation trop importante des pièces. Le liquide de refroidissement circulant dans le moteur peut être :
- de l’eau à laquelle est rajouté un pourcentage de produit antigel (à base de mono éthylène glycol, di éthylène glycol ou mono propylène). L’eau est à déconseiller car elle provoque une oxydation, et une dégradation du moteur.
- un liquide spécial dit «quatre saison» dont la température de congélation varie de -15°à -25°C. Il est spécialement étudié pour protéger l’intérieur du bloc moteur.
Pour trouver le sens de circulation il faut rappeler qu’un litre d’eau chaude est plus léger qu’un litre d’eau froide. L’eau circule dans le moteur au niveau des cylindres et de la culasse. L’eau chaude sera en haut et sortira donc du moteur en partie haute. Cette eau chaude arrivera en haut du radiateur. L’eau qui retournera au moteur sera prise en bas du radiateur (où la température sera la plus basse).

1. Pompe à eau
2. Ventilateur
3. Radiateur
4. Vase d’expansion
5. Thermostat
6. Circulation d’eau
7. Bouchon du vase
8. Clapet de réaspiration
9. Clapet de surpression
Les éléments constituant le circuit :
-la pompe à eau : c’est une pompe centrifuge ( disque muni d’ailettes disposées radialement) entraînée par une courroie depuis le vilebrequin. Elle tourne en permanence quand le moteur fonctionne. Elle aspire l’eau en bas du radiateur pour l’envoyer dans le moteur assurant ainsi la circulation.
-Le thermostat : c’est une vanne Thermostatique située dans la durite de liquide à la sortie moteur.
- Il s’ouvre lorsque l’eau du moteur est chaude et doit aller au radiateur pour être refroidie.
- Il se ferme si la température de liquide est inférieure à la température normale du moteur (il permet de maintenir une température constante de l’ordre de 90 °C). cela permet aux pièces du moteur d’avoir une dimension constante limitant ainsi leur usure et d’avoir une combustion plus stable avec un meilleur rendement.
-le radiateur : c’est un réservoir composé de conduits verticaux où circule l’eau, reliés entre eux par des lamelles de tôles minces entre lesquelles passe l’air.
–Un courant d’air créé par un ventilateur permet de prélever les calories contenues dans l’eau et donc de la refroidir (système à vérifier périodiquement).
– De plus en plus on rencontre des systèmes de refroidissement dit « à circuit fermé». Dans ce cas, un réservoir de 5 à 6 l'appelé «vase d’expansion», permet de maintenir une pression de 1 à 1.2 bar dans le circuit qui le complique de plus en plus.

la recherche des économies d’énergie a conduit les constructeur à mettre au point un ventilateur associé à un viscocoupleur. Ce dispositif permet d’embrayer ou de débrayer le ventilateur en fonction de la température de l’air à la sortie du radiateur, c’est-à dire en fonction du besoin en refroidissement.


Le chauffeur peut et doit surveiller la température du moteur grâce à des indicateurs au tableau de bord couplé à une sonde positionnée sur le circuit de refroidissement qui peuvent être de deux types :
- un voyant lumineux
- un thermomètre à aiguille

Le refroidissement par air:
Ce type de refroidissement utilise une circulation d’air extérieur. La conductivité de l’air étant plus faible que celle de l’eau, les surfaces d’échange doivent être augmentées et le débit d’air doit être très important. En pratique, cette surface est augmentée au moyen d’ailettes disposées à l’extérieur des cylindres.
l’ensemble du moteur (cylindre et culasse) doit être caréné, pour canaliser le courant d’air sur les zones à refroidir.
Une turbine entraînée par une courroie depuis le vilebrequin assure le débit d’air élevé à l’intérieur du carénage. La puissance requise peut représenter 3 à 4 % de la puissance moteur.
Avantages :
- moteur simple de conception
- absence d’eau qui supprime tous risques de gel et de fuite
Inconvénients :
- la turbine est généralement bruyante
- la température du moteur est moins bien stabilisée
- les variations de température du moteur modifient les conditions de combustion du carburant
- la température des parois internes est généralement plus élevée
Depuis les nouvelles normes anti-pollution ce types de refroidissement a été abandonné.
Entraînez vous !
l) Turbocompresseur
Il permet d’augmenter la puissance fournie par un moteur en améliorant le remplissage d’air du cylindre (le débit de la pompe d’injection doit être aussi réglé en conséquence).
Le turbocompresseur se compose :
- d’une turbine (disque avec ailettes, disposées radialement) entraînée par la pression des gaz d’échappement. La rotation peut atteindre 80000 à 100000 tours /min.
- d’un compresseur solidaire du même axe que la turbine (donc entraînée par cette dernière). Il est situé dans la conduite d’admission du moteur, aspire l’air extérieur qu’il refoule sous 1.5 bar de pression environ en direction des cylindres.
Attention : l’axe commun de la turbine et du compresseur est monté sur des bagues. Il est graissé en permanence grâce à une arrivée d’huile moteur. Il constitue en général le point le plus difficile à lubrifier et le plus éloigné de la pompe à huile moteur.
Pour assurer un bon rendement entre le bas régime et haut régime une soupape de régulation permet de dévier une partie des gaz d’échappement. Cela permet de garder une pression de suralimentation stable de l’ordre de 1.5 bar.
Le turbocompresseur permet d’augmenter la puissance d’environ de 20 à 40 % sur un moteur diesel de tracteur.
Il faut toutefois respecter quelques points :
- respecter les vidanges moteur
- la qualité de l’huile
- les accélérations brutale à froid
- laisser tourner le moteur au ralenti avant de l’arrêter
- contrôler la propreté et l’efficacité du filtre à air.

ci dessus le powerpoint récapitulatif